Bill as a Young Geek
Posted on Sun, 2006-04-30 23:00
For your amusement, I present my sixth grade science fair project. This would be from 1976. This gadget will add two binary numbers together. (You can also subtract by making one of the numbers negative). I called it BASC-1 (Binary Adding/Subtracting Calculator). In this picture, you can see it adding 75 + 103 = 178 (1001011 + 1100111 = 10110010). The thing was built in a box I got from a surplus store that was used to view microfilm. (for you young-uns, back before the internet, they used to keep archive documents (like old newspapers at the library) on little pieces of film called microfilm, and you'd use a viewer to project it onto a computer monitor sized screen). BASC is built onto the transluscent projection screen.

Perhaps the coolest thing about this is that it's built completely from switches, wires, light bulbs and batteries. There are no chips, transistors or other electronic components. Here you can see the inside. Each of the switches is a quad-pole double-throw switch. The ones column added two digits together and was relatively simple, but each of the other columns had to also add a third carry digit, and was a bit trickier. Although once I figured out one adder, all of the others were the same. The wooden block on the left side is where the lights are; I used that and drilled a hole for each light to give it the clean circle you see in the picture above.
And here is your humble narrator, trusty soldering iron in hand. Gotta dig those glasses.
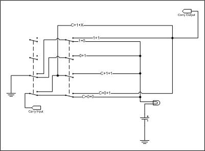
And here, (since a few have actually requested it), is the schematic for the adder with carry. The C+1+X line is actually a clever trick. If you ran the line through the second set of switches, you'd need a fifth switch to make things work.